|
測(ce)量原理
SKGW53同軸導(dǎo)波雷達物位計(jì)
是基于時間行(hang)程原理的測量(liang)儀表,雷達波以(yǐ)光速運行,運行(háng)🌐時✂️間可以通過(guò)電子部件被轉(zhuan)換成物位信号(hao)。探頭✂️發出高頻(pín)脈沖并沿纜繩(shéng)傳播,當脈沖遇(yu)到物料表面時(shi)反射回來被儀(yí)表内的接收器(qi)接收,并将距離(lí)信号轉化成物(wu)位信号。
SKGW53同軸導(dao)波雷達物位計(jì)參數
應 用:介電(dian)常數低或表面(mian)波動液體
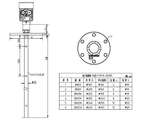
測量(liang)範圍: 6m
過程連接(jiē):螺紋、法蘭
介質(zhi)溫度:-40~150℃
過程壓力(lì):-0.1~4.0Mpa
精 度:±10mm
防爆等級(ji):Exb IIBT4 Gb
防護等級:IP67
信号(hao)輸出:4~20mA/HART(兩線/四線(xian))
SKGW53同軸導波雷達(dá)物位計外型尺(chi)寸圖
SKGW53同軸(zhóu)導波雷達物位(wèi)計安裝圖
SKGW53同軸(zhóu)導波雷達物位(wèi)計選型
|
單元
|
參(cān)數
|
|
防爆
|
P标準型(xíng)(非防爆)
I隔爆型(xing)(Exb II BT4 Gb)
|
|
傳感器/棒式探(tan)頭
|
A 同軸外徑Φ28mm
|
|
過(guo)程連接/材料
|
GA G1A/螺(luó)紋 不鏽鋼
NA 1NPT螺紋(wen) 不鏽鋼
C 法蘭DN50 PN16C 不(bu)鏽鋼
D 法蘭DN80 PN16C 不鏽(xiù)鋼
E 法蘭DN100 PN16C 不鏽鋼(gang)
F 法蘭DN150 PN16C 不鏽鋼
H 法(fǎ)蘭DN200 PN16C 不鏽鋼
K 法蘭(lan)DN250 PN16C 不鏽鋼
Y特殊定(ding)制
|
|
密封/過程溫(wen)度
|
P 普通密封/-40…150℃
|
|
電(diàn)子單元
|
3 (4~20)mA/24VDC/HART兩線制(zhi)
4 (4~20)mA/(-24)VDC /HART四線制
5 (4~20)mA/(-220)VAC /HART四線制(zhì)
|
|
外殼/防護等級(jí)
|
L 鋁/IP67
G 不鏽鋼304/IP67
|
|
電纜(lan)進線
|
M M20*1.5
N 1/2NPT
|
|
特殊約定(ding)
|
Y 特殊定制
|
|